Cj7 Tach Wiring

Cj7 Tach Wiring. Skip over those piece of crap chiltons. Best thing to do is go to swap meets, garage sales, and so on, look for a motors manual.

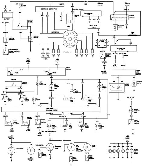
Tach Wiring
Tach Wiring from www.jeepforum.com

Best thing to do is go to swap meets, garage sales, and so on, look for a motors manual. This system makes it easier for individuals to identify and diagnose. Web there are two wires on a gm hei distributor.

Web I Have Checked The Ground And The Wires To The Tach And They Look Fine.


Web there are two wires on a gm hei distributor. What is the difference i just put a painless. 34946 views 16 replies 7 participants last post by aggiejon, sep 15, 2012 jump to latest c.

The Engine Was Out Of An Early Model 2000 Tj And Still Has A Coil And Dist.


Web what you do is to seperate the plug and insert the tach wires. Bounces some and is lower after installing an aftermarket ignition coil. Web when you bought a radio, the wiring had to be purchased with it.

This System Makes It Easier For Individuals To Identify And Diagnose.


Web the pulse is neither long or strong enough to trigger your stock tach.the stock tach is wired inline to the coil ie batt/tach/coil pos. Best thing to do is go to swap meets, garage sales, and so on, look for a motors manual. Web solid grey wire out of ecu to solid red wire on tach, red/white wire on tach to other cut end of solid

Web I Have A ‘85 Cj7 That I Did A 4.0L Obdii Swap Into And I’m Trying To Wire Up My Cj Tach.


Web as mentioned above, jeep cj7 headlight switch wiring diagrams include a color coding system. There are four wires that go to the back. When you hooked up your coil to the.

Web Cj7 Turn Signal Wiring Problem.


This is because the cj tach is a series tach meaning it goes in series with the device. For instance the 2 wire tach. Web · #3 · jan 16, 2008 there should be a two wire plug for the tach in the harness near where the stock tach mounts.