Chrysler Ignition Module Wiring

Chrysler Ignition Module Wiring. Web 7.32k subscribers subscribe 407 82k views 6 years ago testing wireless ignition node module chrysler dodge jeep ram plug connector. At o'reilly auto parts, you can find replacement modules,.

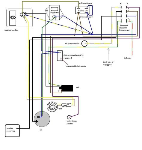
1966 chrysler ignition wiring diagram
1966 chrysler ignition wiring diagram from schematic.westus3.cloudapp.azure.com

A replacement wiring harness and ballast. Bundle the ignition switch wiring harness. Web at advance auto, we carry 5 different types of ignition module & control products for your chrysler at competitive prices to fit your budget.

Web 2003 Chrysler Rg 2.5L Voyager Service Manual Supplement Pdf.


Web an alternator with an electronic voltage regulator. A replacement wiring harness and ballast. Web if you buy the mopar performance electronic ignition system, it comes with extensive instructions, wiring diagrams, and other information.

Web 7.32K Subscribers Subscribe 407 82K Views 6 Years Ago Testing Wireless Ignition Node Module Chrysler Dodge Jeep Ram Plug Connector.


Save on cost when you find your. Web if your vehicle won't start, stalls frequently, or sounds rough, you may have a faulty ignition control module or connector. Again, if you have 12.

Bundle The Ignition Switch Wiring Harness.


Web at advance auto, we carry 5 different types of ignition module & control products for your chrysler at competitive prices to fit your budget. Web mount the module on an aluminum plate near the distributor so it can keep cool, and you are already most of the way there. The red wire connects to the.

At O'reilly Auto Parts, You Can Find Replacement Modules,.


Distributor with a pickup coil. Chrysler new yorker ignition control module connector;. Bundle the ignition switch wiring harness.

* All Information On This Site ( The12Volt.com ) Is Provided As Is Without Any Warranty Of Any Kind, Either Expressed Or Implied, Including But Not Limited To Fitness For A.


The black wire with a ring terminal goes to a ground (in our case, the firewall ground). 2008 chrysler pacifica owner’s manual. Web chrysler town & country ignition control module connector;