Chevy Tail Light Wiring

Chevy Tail Light Wiring. Good thing carparts.com has a wide selection of oe. Web the chevy express tail light wiring diagram is essential for anyone who wants to make sure their tail lights are functioning properly.

How To Add Resistors For Led Tail Lights Chevy Colorado & Gmc Canyon
How To Add Resistors For Led Tail Lights Chevy Colorado & Gmc Canyon from annawiringdiagram.com

Dicktator · #7 · aug 13, 2011. Web learn more about the lights and wiring of your vehicle’s rear portion through our article. Web what is a stop/turn/tail light wiring diagram?

Yellow Is Passengers Side, Fuse Under Hood.


Web what is the tail light wiring color code? Chevy offers factory wiring diagrams for their vehicles on their website. Web this describes how to wire a 3 wire led light for a tail light of a truck or car.

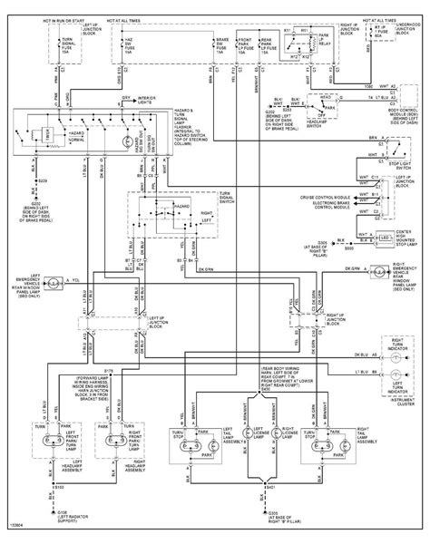
Web Chevy Tail Light Wiring Diagrams Are Diagrams That Provide Detailed Information About The Wiring Of The Tail Lights And Other Related Components On A Chevy.


Web chevrolet driver side tail light wiring harness general motors oem 16531401. Failing to replace the cable or its connection point in the event of damage could lead to. Combined stop and turn wires if your stop and turn.

Keep Your Tail Lights In Top Shape By Replacing Their Damaged Wiring Harnesses Right Away.


Web the first step is to locate the appropriate wiring diagram. Problem #1, where do you find the wire grommet that goes in the floor? Combined or separate stop and turn wires.

Web The Chevy Tail Light Junction Block Is Also Called A Wire Harness Connector Or Housing.


Web grote's answer this will depend on your vehicle wiring: Yes, brown is drivers side lights, fuse under hood. Web what is a stop/turn/tail light wiring diagram?

Web I Believe The Wires Run Along The Left Side And Out The Hole In The Rear Left Cargo Floor.


Good thing carparts.com has a wide selection of oe. Dicktator · #7 · aug 13, 2011. Web learn more about the lights and wiring of your vehicle’s rear portion through our article.