Chevy Factory Stereo Wiring

Chevy Factory Stereo Wiring. Web 2009 chevrolet cobalt car radio wiring diagram. Web chevrolet radio wiring diagrams 2008 chevrolet silverado car radio wiring diagram knowing your 2008 chevrolet silverado radio wire colors makes it easy to change your.

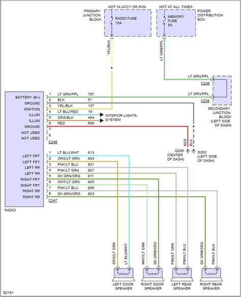
2001 chevy radio wiring diagram IOT Wiring Diagram
2001 chevy radio wiring diagram IOT Wiring Diagram from www.176iot.com

Easily install or upgrade your chevy cobalt stereo using. Left rear speaker positive wire (+): Web 2009 chevrolet cobalt car radio wiring diagram.

Knowing Your 2009 Chevrolet Cobalt Radio Wire Colors Makes It Easy To Change Your Car Stereo.


Web perfect to bring your chevy back to factory or oem form, it’s easy to use once you identify what wire does what in your impala stereo wiring. Web no matter what you are installing to replace your chevy cobalt stereo, our wiring guide can get it done. Web unplug the new stereo, and test the wire coming from the car's wiring for 12v.

Web A Replacement Oem Radio Car Stereo Wiring Harness Is What You Need Your Factory Radio's Harness Gets Hacked, Cut, Or You Need To Fix Your Original Damaged Or Defective Plug.


Web 2009 chevrolet cobalt car radio wiring diagram. Label it or splice to constant wire on. Left rear speaker positive wire (+):

Web You Can Take A Drill Battery Pack Run A Wire From The Negative And Positive Point And Touch The Harness Pins To Find Your Speakers And You Can Use Test Light To Find.


For zx landmark in english. Web having a chevrolet radio wiring diagram makes installing a car radio easy. Web chevrolet radio wiring diagrams 2008 chevrolet silverado car radio wiring diagram knowing your 2008 chevrolet silverado radio wire colors makes it easy to change your.

Web Get Chevy Wiring Diagrams For Your Car Or Truck Engine, Electrical System, Troubleshooting, Schematics, Free Chevy Wiring Diagrams.


Chris white (saturday, 03 june 2023 09:41) hello need. Find the chevrolet stereo wiring diagram you need to install your car stereo and save time. Web here we have chevrolet wiring diagrams and related pages.

Tap The Yellow Wire In The Your 2000.


Easily install or upgrade your chevy cobalt stereo using. Web factory wire diagram for stereo/radio connector as cut off from back of radio. Web these wire tap connectors will allow you to tap into wires without cutting and installs in seconds by hand with no crimping or tools required.