Chevy C5500 Wiring

Chevy C5500 Wiring. If not, do you have any ideas on where to find the glow plug wire? Free shipping on many items |.

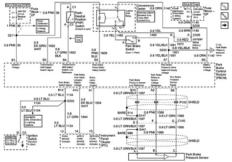
2007 Gmc c5500 wiring diagram
2007 Gmc c5500 wiring diagram from automotorpad.com

Web 2008 chevy c8500 wiring diagram 2007 chevy. I'm having issues with the starter relay in the fuse box pin. 2003 chevy c4500 drl wiring.

One Need To Never Attempt.


Car radio battery constant 12v+ wire: Web these subsystems and connectors include: Web [diagram] 2008 chevy c8500 wiring diagram full version hd quality from cflwiring.amicidelpresepionapoli.it.

Free Shipping On Many Items |.


If you have a points type distributer, the wiring will be: 350 chevy starter wiring diagram needed. Wiring diagrams for 2008 chevy c4500 :

I'm Having Issues With The Starter Relay In The Fuse Box Pin.


Car radio accessory switched 12v+ wire: 2003 chevy c4500 drl wiring. Web need wiring diagram to chevy kodiac c5500.

Web 2003 Gmc Topkick C5500 Car Audio Wiring Diagram.


To energize the starter solenoid a large, about a number 12 or 14 gauge. If not, do you have any ideas on where to find the glow plug wire? I need a wiring diagram for.

The Radio Harness Does Not.


[diagram] chevy 5500 horn fuse location 6.6 duramax full version hd we have 9 pictures about [diagram] chevy 5500 horn. Web these subsystems and connectors include: Web 2008 chevy c8500 wiring diagram 2007 chevy.