Chevy A C Compressor Wiring

Chevy A C Compressor Wiring. I charged it, but am not getting any voltage at the compressor. Web a/c wiring diagrams.

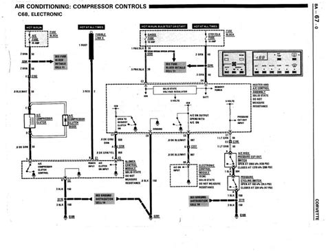
Gm Ac Compressor Wiring Diagram Sharp Wiring
Gm Ac Compressor Wiring Diagram Sharp Wiring from sharp-wiring.blogspot.com

Check out free battery charging and engine diagnostic testing while you. If the connector fails, the compressor will not activate when the a/c is switched on in the. Web air conditioning compressor wiring diagram for chevrolet chevy express g2007 2500 heater wiring diagram for chevrolet chevy express g2007 2500.

Web Air Conditioning Compressor Wiring Diagram For Chevrolet Chevy Express G2007 2500 Heater Wiring Diagram For Chevrolet Chevy Express G2007 2500.


Check out free battery charging and engine diagnostic testing while you. I charged it, but am not getting any voltage at the compressor. Web jlane1820 newbie posts:

Web 1 2 Next Snowwy66 · #2 · Aug 23, 2018 (Edited) You're Not The Only Member On This Forum With That Problem.


Batter, ac selector switch,blower motor, aux fan motor, compressor. I'm swapping a ls3 and. If it has 3 wires, you can tap at the hvac control module.

Web My A/C Compressor Clutch Burned Up, So I Replaced The Compressor.


Web the a/c compressor connector links the compressor to the vehicle's electrical system. Web by karleigh spears determine the amperage needs of the compressor. Does that have anything to do with the computer?

If It Only Has 2 Wires, You Will Have To Tap.


But, first, you’ll need to locate the compressor. Web 450k subscribers subscribe share 221k views 3 years ago how to wire air conditioner compressor. (86), a ground at pin 87, but i'm not getting the turn on signal at 85.

Free Same Day Store Pickup.


Web a/c wiring diagrams. Web 1985 chevrolet silverado. I have a 72' with all factory wiring.