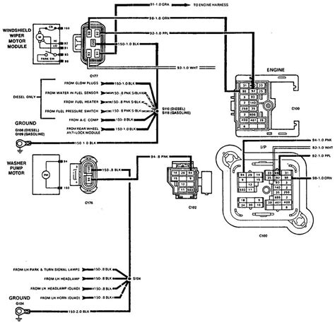
Chevy 454 Wiring

Chevy 454 Wiring. Over time, these wires can. At this site you can find the firing orders for chevrolet engines.

Chevy 454 Starter Wiring Diagram Free Wiring Diagram
Chevy 454 Starter Wiring Diagram Free Wiring Diagram from free-wiring.blogspot.com

Web the spark plug wiring diagram for the chevy 454 is relatively simple. Web spark plug wiring diagram chevy 454. The wires start at the.

The Chevy 454 Is A Powerful Engine, And One Of The Few Truly Iconic Engines Still Around Today.


Web having a good understanding of the spark plug wiring diagram for your chevy 454 is important. Web how to build a chevrolet 454 big block part 16: It begins with the distributor cap, which is responsible for distributing the electrical current.

If You Are Looking For The Best Spark Plug Wires For Big Block Chevy, Then You.


Web spark plug wiring diagram chevy 454. At this site you can find the firing orders for chevrolet engines. Web find chevrolet 7.4l/454 fuel injection system wiring harnesses and get free shipping on orders over $109 at summit racing!

Web Chevy 454 Firing Order Diagram.


Web understanding how to read a spark plug wiring diagram chevy 454 is essential for anyone who wants to keep their engine running smoothly. Web wiring diagram for 1983 chev 1 ton truck 454 motor. Web this spark plug wiring diagram is designed for use in the chevy 454 engine and can be used to replace other spark plug wiring diagrams.

Web The Spark Plug Wiring Diagram For The Chevy 454 Is Relatively Simple.


Web the spark plug wires in your chevy 454 are responsible for transmitting electrical energy from the spark plugs to the distributor cap. Web spark plug wiring diagram chevy 454 engine by gree claire | may 18, 2023 0 comment the spark plug wiring diagram for a chevy 454 engine is an essential. Earn summit bucks on summit racing brand.

Wiring, Senders And, Oil Priming 2Carpros 208K Subscribers Subscribe 15K Views 2 Years Ago Today We Once Again Dive Back Into Our Big Block Chevy.


( starter, ignition, coil junction box.) submitted: Spark plug wiring diagrams are essential for any vehicle owner, especially those with a chevy 454 engine. Accel 4071 spark plug wire set the accel 4071 is an 8mm spark plug wire designed for 454.