Chevy 350 Engine Wiring Harness

Chevy 350 Engine Wiring Harness. Chevrolet is the colloquial name for. Web find chevrolet 5.7l/350 wiring harnesses and get free shipping on orders over $109 at summit racing!

12167747 OEM TBI Engine Wire Harness for 5.0L 305 & 5.7L 350 GM Engines
12167747 OEM TBI Engine Wire Harness for 5.0L 305 & 5.7L 350 GM Engines from store.partshighway.com

Web find chevrolet 5.7l/350 wiring harnesses and get free shipping on orders over $109 at summit racing! Take a look at the. Chevrolet is the colloquial name for.

Web 1 Goose Garage.


Adam going through how simple it is to wire up any carbureted small block chevy motor. 1970 c10 ignition switch wiring diagram. As these cars age, wiring.

Web Find Chevrolet 5.7L/350 Ignition Coil Wiring Harnesses And Get Free Shipping On Orders Over $109 At Summit Racing!


Web shop 350 chevy small block v8, engine wiring harnesses and get free shipping on orders over $149 at speedway motors. Web the basics of starter wiring diagram chevy 350. Web find chevrolet 5.7l/350 wiring harnesses and get free shipping on orders over $109 at summit racing!

12K Views 1 Year Ago.


105k views 4 years ago. Take a look at the. Web check out the 350 chevy engine diagram if you feel you have some issues with your chevrolet’s engine.

Web $139.99 Save Up To 5% When You Buy More Or Best Offer Motor1819 (164) 99.4% Free 4 Day Shipping Sponsored Engine Wiring Harness W/ Hei Chevy Gmc 70 71 72 Pickup Truck.


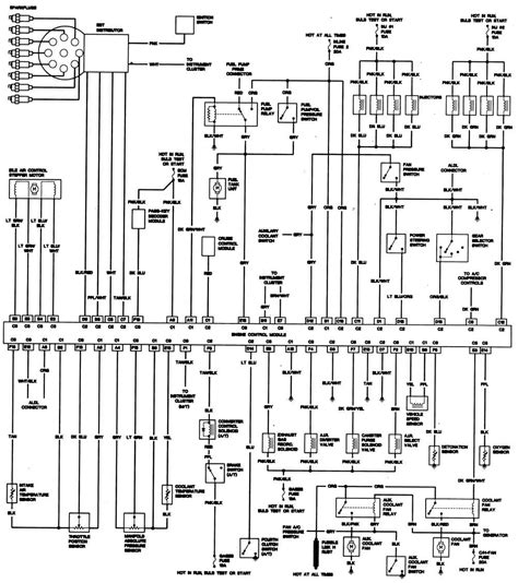
The 350 engine was made from 1970 until 1990. Chevy 350 engines are popular classic engines found in cars and trucks alike. Vortec 350 component or wiring.

Web Grab The Best Deals On Chevy 350 Engine Wiring Harness With A 5 Year Warranty And Free Shipping Offered Only At Chevyengineforsale.com.


Web find chevrolet wiring harnesses and get free shipping on orders over $109 at summit racing! 4.3l, 5.0l, 5.7l, 7.4l throttle body injected and cross fire injected trans.: Web find chevrolet monte carlo 5.7l/350 wiring harnesses and get free shipping on orders over $99 at summit racing!