Cherokee Radio Wiring

Cherokee Radio Wiring. Car radio accessory switched 12v+ wire: This can usually be fixed by unplugging the power cable.

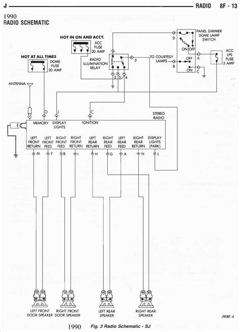
2001 Jeep Cherokee Radio Wiring Diagram / Stereo Wiring Diagram Jeep
2001 Jeep Cherokee Radio Wiring Diagram / Stereo Wiring Diagram Jeep from agnesparadibhaa.blogspot.com

After that inspect the wiring for any signs of damage or loose. Having a clear, accurate wiring diagram is essential for any. It also shows you the car radio.

Web Our 1998 Jeep Cherokee Radio Wiring Guide Shows You How To Connect Car Radio Wires And Helps You When Your Car Radio Wires Not Working.


Web 1) radio doesn't turn on. 22 pin car stereo connector 10 pin connector 3 pin rear camera. Web feel free to use any 1990 jeep cherokee radio wire diagram that is listed here but keep in mind that all information here is provided as is without any warranty of any kind.

Web Donniebcherokee19 Discussion Starter · Apr 14, 2021.


In this article, we will walk you through the steps you need to take in order to install. Web step 1 pry out the climate panel to expose the two (2) screws that hold in the radio bezel. 1.1, 1.2) step 2 remove.

Disconnect The Climate Panel Harness And Put To The Side.


Having a clear, accurate wiring diagram is essential for any. On most makes and models, it’s to the left of the driver’s seat (when you are behind the steering. Web our 1995 jeep cherokee radio wiring guide shows you how to connect car radio wires and helps you when your car radio wires not working.

If You Are Looking To Install A New Radio In Your 97 Jeep Cherokee, You Will Need A Wiring Diagram To Ensure A Smooth Installation Process.


Web please copy and paste the link below instead: Car radio accessory switched 12v+ wire: Web first, check the radio’s wiring harness to see if it is properly connected to the vehicle’s electrical system.

Web The Jeep Cherokee Radio Wiring Diagram For 2023 Is An Essential Tool For Upgrading Your Audio System.


This can usually be fixed by unplugging the power cable. Web a wiring diagram can also be helpful for troubleshooting any issues that may arise with the audio system. Web car radio battery constant 12v+ wire: