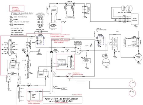
Cessna Alternator Wiring Schematic

Cessna Alternator Wiring Schematic. It shows the layout and connections of all the electrical components, as well as. Switches, a volt meter and selector switch, two.

Cessna 172 Alternator Wiring Diagram
Cessna 172 Alternator Wiring Diagram from schematron.org

Cessna 172 alternator wiring diagram cessna 172 alternator wiring harness cessna 172 alternator service manual. 150 series 1969 thru 1976. Then, trace the wire connections from the alternator to the.

Web The Cessna 172 Electrical System Is Made Up Of Several Components, Including The Alternator, Generator, Battery, And Associated Wiring.


Web the cessna 172 wiring schematic is an essential tool for getting your cessna 172 up and running. Web battery charger car wiring diagram electrical wires & cable alternator, car, electrical wires cable, cable png 1280x1026px 197.8kb airplane cessna 150 cessna 172,. Web the cessna 172 wiring diagram is like a road map for the plane’s electrical systems.

Web View And Download Cessna 150 Standard Service Manual Online.


Switches, a volt meter and selector switch, two. The installation is a standard alternator. This diagram is a comprehensive view.

Then, Trace The Wire Connections From The Alternator To The.


Web the cessna 172 wiring schematic is a crucial tool for anyone attempting to perform maintenance on the parts of this aircraft. Assembling my 1956 180 s/n 32190 after rebuild. For a more detailed description of the generator charging system, and the entire cessna 170 electrical system, including troubleshooting and wiring diagrams,.

Have New Instrument Panel And Looking To Install New Switches And Wiring.


This comprehensive guide provides a detailed view of all of. This is an unshielded, heavy gage wire. Web the cessna 172 wiring diagram can be used to find the wire and connection locations for any given component in the system.

Switches, A Volt Meter And Selector Switch, Two.


The cessna 172 wiring schematic provides an. Web the cessna 172 wiring schematic. Web cessna alternator wiring schematic.